
概述
GCK(L)低压抽出式开关柜成套开关设备适用于交流50Hz,额定工作电压380V的低压配电系统。它包含动力中心(PC)和电动机控制中心(MCC)的功能,各项技术参数均达到国家标准。具有结构先进、外形美观、电气性能高、防护等级高、安全可靠、维护方便等特点,是冶金、石油、化工、电力、机械、轻纺等行业低压供电系统理想的配电装置。本产品符合IEC-439、GB7251.1标准。
型号及含义

特点
1.GCK(L)1、GCJ1为拼装式组合结构,基本骨架采用专用型材,拼装而成。
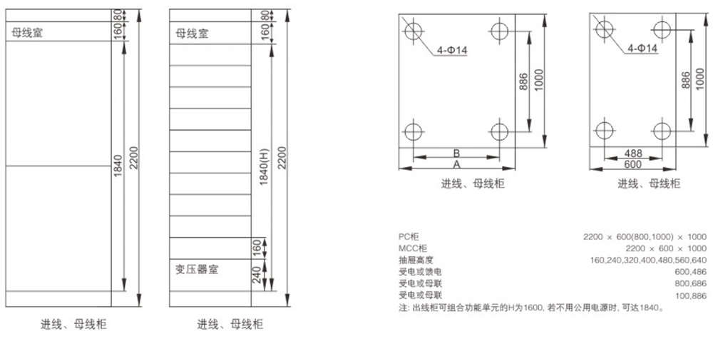
2.柜体骨架,零件尺寸以及开孔尺寸按基本模数E=25mm变化。
3.在MCC方案中,柜内部分成五个区域(室):水平母线区、垂直母线区、功能单元区、电缆室、中性接地母线区。各区互相隔离,保证线路正常运行,有效防止故障扩大。
4.由于框架的所有结构均以螺钉紧固连接而成,避免了焊接变形和应力,提高了精度
5.零部件通用性强,适用性好,标准化程度高。
6.功能单元(抽屉)的抽出、插入为杠杆操作,加上配置滚动轴承操作轻便、可靠。
使用环境
1.海拔高度不超过2000米。
2.周围空气温度不高于+40℃,不低于-5℃,并且24h内平均温度不高于+35℃。
3.大气条件;空气清洁,相对湿度在温度为+40℃时不超过50%,在温度较低时允许有较高的相对湿度。例如+20℃时为90%。
4.没有火灾、爆炸危险、严重污染、化学腐蚀及剧烈震动的场所。
5.与垂直面倾斜不超过5°
6.控制中心适用于以下温度的运输和储存过程:-25℃~+55℃,在短时间内(不超过24h)不超过+70℃
内部结构

主要技术参数
